г. Тула, пр-т Ленина 145, оф 13

Устройство плавного пуска 315 кВт–4 МВт

Входное напряжение: 3 кВ, 6 кВ, 10 кВ


loading trigger...


Запросите цену на «Устройство плавного пуска 315 кВт–4 МВт» или свяжитесь с нами удобным для Вас способом.


Описание оборудования

Устройства плавного пуска серии ЭИН-УППВ предназначены для плавного запуска и останова трехфазных синхронных и асинхронных двигателей с короткозамкнутым ротором. Устройства осуществляют мягкий (безударный) пуск и останов двигателя методом плавного нарастания/спада напряжения. Во всех режимах работы УППВ осуществляется контроль и ограничение тока. Простота настройки УППВ обеспечивается встроенным графическим пультом управления с интуитивно понятным интерфейсом и полностью русскоязычным меню.

Эффективность применения

  • снижение пусковых токов и устранение возникающих при пуске просадок напряжения в питающей сети;
  • существенное снижение интенсивности гидравлических ударов в трубопроводе при пуске и останове насоса;
  • исключение проскальзывания ремней в ременных передачах;
  • значительное снижение динамических перегрузок и пусковых ударов при пуске и останове механизмов с большим моментом инерции (вентиляторы, дымососы и т.п.);
  • увеличение срока службы контактной аппаратуры, двигателя и приводного механизма, снижение расходов на текущий ремонт оборудования;
  • интеграция устройства плавного пуска в АСУ ТП любого предприятия.

Технические характеристики

Основные характеристики

Напряжение на входе (UBX)

3 кВ +5%/.15%, 50 Гц, 3 фазы

6 кВ +5%/-15%, 50 Гц, 3 фазы

10 кВ +5%/-15%, 50 Гц, 3 фазы

Напряжение питания собственных нужд

230В ± 20%, 50(60) Гц, 1 фаза

синхронизация с силовым напряжением не требуется По запросу доступны другие напряжения питания

Байпасный контактор*

Встроенный: опция +БК

Тип контактора: вакуумный, с пружинным приводом

Ресурс по механической прочности: не менее 50 000 циклов Рассчитан на пусковые токи при прямом подключении к сети

Линейный контактор

Встроенный: опция +ЛК

Тип контактора: вакуумный, с пружинным приводом

Ресурс по механической прочности: не менее 50 000 циклов Рассчитан на пусковые токи при прямом подключении к сети

Входной и выходной

разъединители-заземлители

Встроенные: опция +2РВЗ

Тип привода: ручной

Ресурс по механической прочности: не менее 10 000 циклов

Ключ высоковольтный тиристорный

Количество тиристоров в ключе:

3 кВ: 3 пары тиристоров

6 кВ: 4 пары тиристоров

10 кВ: 7 пар тиристоров

Производитель тиристоров: ООО «Протон-Электротекс», г.Орел, РФ

Нагрузка

Асинхронный двигатель с короткозамкнутым ротором

Синхронный двигатель (асинхронный пуск с управлением внешним возбудителем)

Управление пуском и остановом

Режимы работы

• однодвигательный режим

• многодвигательный режим (каскадный запуск и останов любого количества двигателей при управлении от внешнего контроллера или АСУ ТП)

Режимы управления пуском и остановом

• ручное управление (по командам оператора с пульта управления);

• управление от внешней релейно-контактной аппаратуры (используются дискретные входы типа «сухой контакт»);

• автоматический плавный пуск при включении питающего напряжения, останов самовыбегом;

• управление от пульта дистанционного управления или внешней АСУ ТП (используется интерфейс RS-485).

Режимы пуска двигателя

• плавный пуск с линейно нарастающим напряжением;

• плавный пуск с токоограничением (настройка графика токоограничения по 5 точкам)

• пуск с отрывающим импульсом (кик-старт)

Режимы останова двигателя

• плавный останов с линейно снижающимся напряжением;

• останов самовыбегом

Длительность плавного запуска и останова

1...120 с, раздельная настройка для пуска и останова

Уровень ограничения тока при пуске

200...500% номинального тока, настраиваемый график токоограничения (5 точек)

Количество характеристик пуска и останова

4 настраиваемых конфигурации пуска и останова

Время блокировки между пусками/остановами

настраиваемое, до 160 минут

Интерфейс пользователя

Встроенная панель управления

  • Пульт управления с графическим ЖК-дисплеем и полнотекстовым русскоязычным меню
  • Кнопочный пост управления (кнопки ПУСК, СТОП, СБРОС АВАРИИ, лампы индикации состояния)

Пульт дистанционного управления

(дополнительное оборудование)

  • Пульт управления с графическим ЖК-дисплеем и полнотекстовым русскоязычным меню
  • функционал полностью аналогичен встроенному пульту
  • подключение по интерфейсу RS485
  • удаленность до 300 м
Защита и диагностика

Защиты

  • максимально-токовая защита,
  • времятоковая защита (I2t);
  • от превышения максимально допустимого времени пуска;
  • от частых пусков двигателя;
  • от перегрева УППВ;
  • от быстрого останова двигателя при несрабатывании внешнего обводного контактора;
  • от кратковременного превышения входного напряжения более чем на 10% от номинального;
  • от исчезновения или недопустимого снижения питающего напряжения более чем на 15% от номинального;
  • от дисбаланса токов двигателя ;
  • от обрыва фаз питающей сети (неполнофазный режим работы);
  • от обратной фазировки питающего напряжения

Также доступен дискретный вход для подключения

внешнего сигнала аварии или блокировки работы

Диагностика

  • контроль исправности тиристоров перед пуском;
  • контроль температуры охладителей тиристоров;
  • контроль исправности встроенных источников питания и драйверов управления тиристорами;
  • данные последнего пуска (величина пускового тока и длительность пуска);
  • отображение в реальном времени сетевых напряжений, а также напряжений, токов и мощности двигателя

Журнал событий

1024 записи последних событий (пуск, останов, авария и т.п.) с привязкой к часам реального времени

Входы и выходы

Дискретные входы

9 входов типа «сухой контакт» с групповой гальванической развязкой, с фиксированными функциями

Релейные выходы

7 релейных выходов (~250VAC, 4A) с нормально замкнутыми и нормально разомкнутыми контактами, с фиксированными функциями

Интерфейс связи

RS-485 с гальванической развязкой (протоколы связи Modbus ASCII, Modbus RTU)

Опция: Profibus DP, Profinet IO

Аналоговые выходы

Опция: 4...20мА

Подключения датчиков температуры двигателя

Опция: PT100/PT1000

Конструкция

Конструктивное исполнение

Напольный шкаф одностороннего обслуживания

Подвод силовых кабелей

снизу

Тип охлаждения

воздушное естественное

Степени защиты оболочки

IP20

IP54

Номинальное напряжение изоляции

  • не менее 8,5 кВ (50 Гц) в течение 60 сек для цепей 3 кВ
  • не менее 16 кВ (50 Гц) в течение 60 сек для цепей 6 кВ
  • не менее 26 кВ (50 Гц) в течение 60 сек для цепей 10кВ

Условия эксплуатации

  • температура от 0°С до +40°С без снижения характеристик
    (от -20°С до +40°С с опциональным подогревателем)
  • относительная влажность 90% при 20°С (без конденсации влаги)
  • отсутствие токопроводящей пыли и газов, разрушающих изоляцию
Показатели надежности

Средняя наработка на отказ

не менее 20 000 часов

Среднее время восстановления работоспособного состояния

не более 12 часов

Срок службы

не менее 7 лет

Гарантийный срок эксплуатации

3 года со дня ввода в эксплуатацию, но не более 3,5 лет с момента отгрузки

* - Длительная работа УППВ без шунтирования тиристоров не допускается.
При заказе УППВ без встроенного байпасного контактора обязательна установка внешних цепей шунтирования!

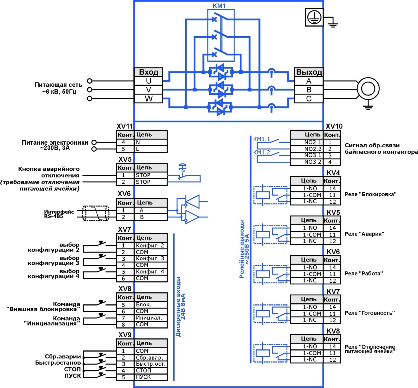
Общая схема подключения силовых и сигнальных цепей УППВ

Описание входных и выходных сигналов УППВ приведено в таблице 2.1. Подробное описание логики формирования выходных сигналов и логики обработки входных сигналов приведено в руководстве по эксплуатации УППВ.

Общая схема подключения силовых и сигнальных цепей УППВ

Выходные релейные сигналы (~250В, 5А)

Реле «ГОТОВНОСТЬ»

Перекидной контакт

Индикация состояния «Готовность»

Реле «РАБОТА»

Перекидной контакт

Индикация состояния «Работа» - УППВ выполняет плавный пуск, останов электродвигателя или двигатель работает с использованием внутреннего обводного контактора.

Реле «АВАРИЯ»

Перекидной контакт

Индикация состояния «Авария»

Реле «БЛОКИРОВКА»

Перекидной контакт

Индикация состояния «Блокировка»

Сигнал обр.связи байпасного контактора

2 замыкающих контакта

Контроль состояния встроенного байпасного контактора.

При работе с синхронным двигателем при замыкании контактов должен формироваться сигнал включения тока возбуждения двигателя

Реле «Отключение питающей ячейки»

Перекидной контакт

Сигнал требования отключение ячейки силового питания УППВ

Входные сигналы «сухой контакт» (24В, 8мА)

«Пуск»

Команда на выполнение плавного пуска электродвигателя посредством УППВ.

«Стоп»

Команда на выполнение плавного останова электродвигателя посредством УППВ

«Быстрый останов»

Команда на выполнение быстрого останова электродвигателя посредством УППВ.

«Сброс аварии»

Выход УППВ из состояния «Авария», в которое УППВ может перейти в случае неудачного пуска или останова электродвигателя.

«Инициализация»

Переход УППВ в начальное состояние (выход УППВ из состояния внутренней блокировки УППВ на заданное время после плавного пуска или останова электродвигателя).

«Внешняя блокировка»

Блокировка работы УППВ внешней управляющей системой. Активное состояние сигнала «Внешняя блокировка» принуждает УППВ снять состояние «Готов» и не воспринимать поступающие команды «Пуск» и «Стоп».

«Выбор конфигурации» 2 – 4

Выбор альтернативной конфигурации настроек процесса пуска и останова электродвигателя.

Прочие сигналы

Кнопка аварийного отключения

Нормально замкнутый контакт

Требование отключения ячейки силового питания УППВ – цепь безопасности (встроенная кнопка аварийного отключения с возвратом в исходное положение после поворота)

Структура условного обозначения

Устройство плавного пуска высоковольтное

Дополнительно подключаемые опции:

Наименование параметра Описание
+БК встроенный байпасный контактор
+ЛК встроенный байпасный контактор
+2РВЗ встроенные входной и выходной разъединители-заземлители
+О# спецтребования по заказу Потребителя (#- номер специсполнения)

Модельный ряд УППВ

Модельный ряд УППВ напряжением 3кВ

Мощность эл.двигателя,
кВт

Номинальный ток,
А

Допустимая длительность пуска при кратности пускового тока
(при Тохл<35°С / с интервалом 60 мин / 30мин / 20 мин)

3,5*I ном

4*I ном

4,5*I ном

160

40

120 / 120 / 120 / 120

120 / 120 / 120 / 120

120 / 120 / 120 / 120

200

50

120 / 120 / 120 / 120

120 / 120 / 120 / 120

120 / 120 / 120 / 120

250

63

120 / 120 / 120 / 120

120 / 120 / 120 / 110

120 / 120 / 120 / 95

315

80

120 / 120 / 120 / 100

120 / 120 / 95 / 70

120 / 110 / 80 / 55

400

110

120 / 120 / 80 / 55

120 / 90 / 60 / 35

90 / 70 / 40 / 25

500

125

120 / 120 / 120 / 120

120 / 120 / 120 / 110

120 / 120 / 120 / 90

630

160

120 / 120 / 120 / 95

120 / 120 / 110 / 95

120 / 120 / 90 / 65

800

200

120 / 120 /105 / 70

120 / 100 / 75 / 60

100 / 80 / 55 / 40

1000

250

105 / 85 / 70 / 55

75 / 60 / 50 / 35

55 / 45 / 40 / 25

1250

315

55 / 50 / 50 / 30

35 / 30 / 25 / 20

20 / 15 / 10 / 10

Для применений, требующих большей кратности тока или специальных условий пуска, а также для других мощностей двигателей обращайтесь в отдел продаж ООО «Электротекс-ИН»

Номер заказа Обозначение Корпус Мощность, кВт Габариты
д*ш*в
Вес*
ЭИН-ПЧ057-800-400-УХЛ4-IР20-С+ДР+2ТР ПЧ-ТТПТ-800-400-50-04-УХЛ4-ЭИН 1ХСв 400 540*870*2010 300
ЭИН-ПЧ057-800-400-УХЛ4-IР20-С+ДР+2ТР ПЧ-ТТПТ-800-400-50-04-УХЛ4-ЭИН 2ХС 400 995*862*1915 600
ЭИН-ПЧ057-1000-400-УХЛ4-IР20-С+ДР+2ТР ПЧ-ТТПТ-1000-400-50-04-УХЛ4-ЭИН 2ХС 500 995*862*1915 630
ЭИН-ПЧ057-1250-400-УХЛ4-IР20-С+ДР+2ТР ПЧ-ТТПТ-1250-400-50-04-УХЛ4-ЭИН 2ХС 630 995*862*1915 630

* - Вес только на УППВ

ГАБАРИТНЫЕ РАЗМЕРЫ УППВ 3 кВ

ГАБАРИТНЫЕ РАЗМЕРЫ УППВ 3 кВ

Модельный ряд УППВ напряжением 6кВ

Мощность двигателя,
кВт

Номинальный ток,
А

Допустимая длительность пуска при кратности пускового тока
(при Тохл<35°С / с интервалом 60 мин / 30мин / 20 мин)

3,5*I ном

4*I ном

4,5*I ном

250

31,5

120 / 120 / 120 / 120

120 / 120 / 120 / 120

120 / 120 / 120 / 120

315

40

120 / 120 / 120 / 120

120 / 120 / 120 / 120

120 / 120 / 120 / 120

400

50

120 / 120 / 120 / 120

120 / 120 / 120 / 120

120 / 120 / 120 / 120

500

63

120 / 120 / 120 / 120

120 / 120 / 120 / 110

120 / 120 / 120 / 95

630

80

120 / 120 / 120 / 100

120 / 120 / 95 / 70

120 / 110 / 80 / 55

800

100

120 / 120 / 80 / 55

120 / 90 / 60 / 35

90 / 70 / 40 / 25

1000

125

120 / 120 / 120 / 120

120 / 120 / 120 / 110

120 / 120 / 120 / 90

1250

160

120 / 120 / 120 / 95

120 / 120 / 110 / 95

120 / 120 / 90 / 65

1600

200

120 / 120/105 / 70

120 / 100 / 75 / 60

100 / 80 / 55 / 40

1800

240

105 / 85 / 70 / 55

75 / 60 / 50 / 35

55 / 45 / 40 / 25

2000

250

105 / 85 / 70 / 55

75 / 60 / 50 / 35

55 / 45 / 40 / 25

2500

315

55 / 50 / 50 / 30

35 / 30 / 25 / 20

20 / 15 / 10 / 10

Для применений, требующих большей кратности тока или специальных условий пуска, а также для других мощностей двигателей обращайтесь в отдел продаж ООО «Электротекс-ИН»

ГАБАРИТНЫЕ РАЗМЕРЫ УППВ 6 кВ

ГАБАРИТНЫЕ РАЗМЕРЫ УППВ 6 кВ

Модельный ряд УППВ напряжением 10кВ

Мощность двигателя,
кВт

Номинальный ток,
А

Допустимая длительность пуска при кратности пускового тока
(при Тохл<35°С / с интервалом 60 мин / 30мин / 20 мин)

3,5*I ном

4*I ном

4,5*I ном

315

25

120 / 120 / 120 / 120

120 / 120 / 120 / 120

120 / 120 / 120 / 120

400

31,5

120 / 120 / 120 / 120

120 / 120 / 120 / 120

120 / 120 / 120 / 120

500

40

120 / 120 / 120 / 120

120 / 120 / 120 / 120

120 / 120 / 120 / 120

630

50

120 / 120 / 120 / 120

120 / 120 / 120 / 120

120 / 120 / 120 / 120

800

63

120 / 120 / 120 / 120

120 / 120 / 120 / 110

120 / 120 / 120 / 95

1000

80

120 / 120 / 120 / 100

120 / 120 / 95 / 70

120 / 110 / 80 / 55

1250

100

120 / 120 / 80 / 55

120 / 90 / 60 / 35

90 / 70 / 40 / 25

1600

125

120 / 120 / 120 / 120

120 / 120 / 120 / 110

120 / 120 / 120 / 90

2000

160

120 / 120 / 120 / 95

120 / 120 / 110 / 95

120 / 120 / 90 / 65

2500

200

120 / 120 /105 / 70

120 / 100 / 75 / 60

100 / 80 / 55 / 40

Для применений, требующих большей кратности тока или специальных условий пуска, а также для других мощностей двигателей обращайтесь в отдел продаж ООО «Электротекс-ИН»

ГАБАРИТНЫЕ РАЗМЕРЫ УППВ 10 кВ

ГАБАРИТНЫЕ РАЗМЕРЫ УППВ 10 кВ

Условия эксплуатации

Устройства эксплуатируются в помещениях и на открытом воздухе в любое время года и суток и имеют следующие параметры стойкости к внешним воздействующим факторам окружающей среды:

  • температура окружающего воздуха:
    • для исполнения У3– от минус 45 до плюс 40 °С;
    • для исполнения УХЛ2– от минус 60 до плюс 40 °С;
  • высота над уровнем моря не более 1000 м;
  • влажность 75 % при температуре плюс 15 °С;
  • атмосферное давление – от 86,6 до 106,7 кПа;
  • тип атмосферы по ГОСТ 15150 – II (промышленная);
  • окружающая среда невзрывоопасная, не содержащая взрывоопасной пыли, агрессивных газов в концентрациях, разрушающих металлы и изоляцию;
  • стойкость к сейсмическому воздействию по ГОСТ 17516.1 – до 9 баллов по шкале MSK-64.

Фотографии